// mechanical & aerospace engineering · 2022 — 2026
Selected undergraduate projects spanning aerospace structures, propulsion, thermal systems, and human-centered mechanical design — from hand calculations and FEA to a veteran's adaptive prosthetic.
// featured · capstone

Capstone · Human-Centered Design
Senior capstone — designing a custom upper-limb prosthetic that returned a sport to a U.S. veteran.
// selected projects

Aerospace Structures
Hand calculations validated against SolidWorks FEA on a 6061-T6 cantilever wing section under a 7,700 N tip load — within ~2% on peak stress.
Sep – Dec 2025

Aircraft Design
Team redesign of a regional turboprop targeting a 20% sustainability improvement by 2035 via a hybrid-electric, LN₂-cooled propulsion system.
Feb – May 2026

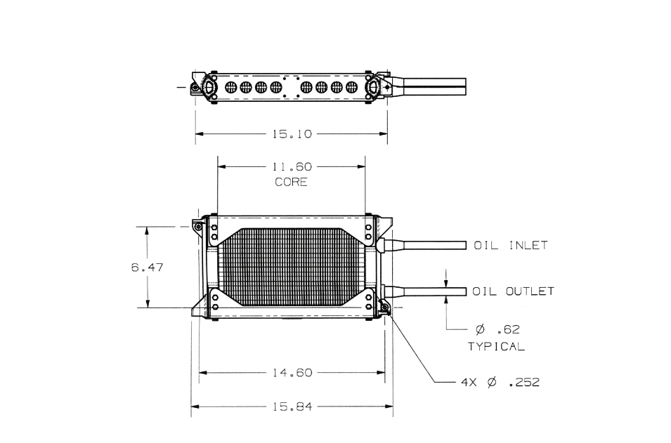
Thermal-Fluids
Designed and analyzed an aircraft FCOC heat exchanger (Boeing 757-class) using ε-NTU on a finned shell-and-tube geometry in 2024-T6 aluminum.
Feb – May 2025

Mechanical Subsystems
Two-legged pole-and-belt mechanism that holds and moves a golf ball within a 5-second target, driven by an Arduino-controlled DC motor.
Feb – May 2025

Reverse Engineering
Full teardown, measurement, and CAD reconstruction of a commercial conventional fishing reel.
Jan – Feb 2025